2022-11-22 16:51:00
項目概況:
該凈水廠項目設計總規模10萬m3/d。我公司承接該項目的自控工程。
工程內容主要由以下三部分組成:信息層——中央控制系統,控制層——現場控制站及設備層——現場儀表等組成。

設計標準和規范:
1.《儀表系統接地設計規范》(HG/T 20513-2014)
2.《計算機場地通用規范》(GB/T2887-2011)
3.《自動化儀表選型設計規范》(HG/T 20507-2014)
4. 《儀表供電設計規范》(HG/T 20509-2014)
5. 《工業計算機監控系統抗干擾技術規范》(CECS81:96)
6. 《信息安全技術網絡安全等級保護基本要求》GB/T 22239-2019
7.《控制室設計規范》 HG/T20508-2014

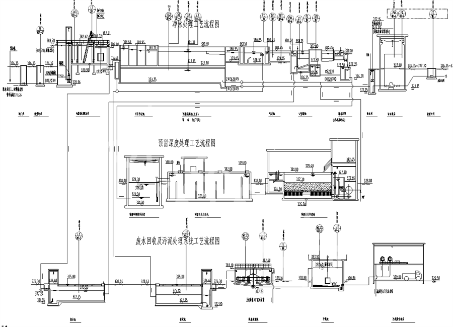
(水廠自控系統工藝圖)
工藝要求:
根據工藝全要求廠配備檢測儀表,實時在線檢測各項工藝參數。儀表的輸出信號傳送至各區域的可編程序控制器,
利用計算機測控管理系統對其進行處理、顯示、存儲和打印。儀表本著節省、簡單,實用,可靠性高的原則進行配置。

(自控架構圖)
中央監控系統由中央監控計算機、服務器、工業網絡交換機、報表及報警打印機、大型LED顯示拼接屏等組成中央監控主站。
信息層——中央控制系統

(中央控制室顯示屏安裝現場)

(水廠自控系統上位機界面圖)

通過中央控制室的計算機顯示屏分屏顯示自來水廠的整個工藝流程和廠外原水投加間、應急加藥間以及引提水項目閘門控制系統。
并在相應位置顯示檢測工藝參數的實計值和設備運行狀態。
控制層——現場控制站

現場控制站采用施耐德冗余型PLC,各PLC站均采用光纖環網連接至中央控制室,保證了水廠運行可靠性。
各分站負責各區域內工藝參數的采集、設備配套相應儀表的參數采集、過程控制等任務的完成。
控制方式:
控制系統的控制功能是控制系統的最主要功能,它包括通過人機界面實現的手動控制和自動控兩個部分:
手動控制
在手動狀態下操作員可以在輸入密碼獲得授權后通過中央控制室操作員站對全廠所有電氣驅動的工藝設備進行手動控制和調節,
還可以通過各現場站的人機界面對該PLC站所在區域所有電氣驅動的工藝設備進行手動控制和調節。
自動控制
自動控制是計算機控制系統根據事先編制的程序通過采集的數據分析,自動作出反應,對工藝設備作出相應的控制。
該自控項目基本涵蓋全部工藝過程,爭取實現全廠的無人操作。
水廠設置6個現場控制站。

1#PLC站負責廠外在線監測間

2# PLC站負責格柵及提升泵房、送水泵房及配電間、斜管沉淀池。

3 # PLC站負責送水泵房及配電間污泥、脫水間,污泥脫水間、濃縮池、清水疊合池

4# PLC站負責加藥間,負責排水排泥池、加藥間反沖洗泵房、低在配電間。

5#PLC站負責V型濾池。

6#控制站負責廠外應急投加間
設備層——現場儀表
現場儀表采用德國西門子、德國科隆、美國德菲等品牌。





水廠自控項目技術培訓與驗收現場


水廠自控系統解決方案詳詢:13096360690微信同步